LK LAB KOREA가 취급하는 상품에 대한 상세하고 정확한 정보를 확인 하신 후 구매를 하실 수 있습니다.
LK LAB KOREA가 취급하는 상품에 대한 상세하고 정확한 정보를 확인 하신 후 구매를 하실 수 있습니다.

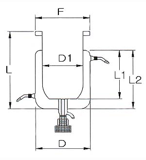
* 일반형 이중 자켓식 밸브형 평저 반응조 하부
|
Cat. No. |
Model |
용량 | 겉관외경 D1 (mm) | 속관외경 D (mm) |
후렌지 F (mm) |
속관길이 L1 (mm) | 겉관길이 L2 (mm) | 총길이 L (mm) |
| R04-09-113 |
JRGV1001 |
100 ml | ||||||
| R04-09-114 |
JRGV1002 |
250 ml | ||||||
| R04-09-115 |
JRGV1005 |
500 ml | 120 | 90 | 120 | 110 | 130 | 160 |
| R04-09-116 |
JRGV1010 |
1 Lit. | 140 | 110 | 145 | 140 | 160 | 200 |
| R04-09-117 |
JRGV1020 |
2 Lit. | 160 | 130 | 170 | 190 | 210 | 250 |
| R04-09-118 |
JRGV1030 |
3 Lit |
180 | 150 | 190 | 210 | 230 | 270 |
| R04-09-119 |
JRGV1040 |
4 Lit |
190 | 160 | 200 | 240 | 260 | 300 |
| R04-09-120 |
JRGV1050 |
5 Lit |
200 | 170 | 210 | 270 | 290 | 340 |
| R04-09-121 |
JRGV1060 |
6 Lit |
200 | 170 | 210 | 310 | 330 | 380 |
| R04-09-122 |
JRGV1070 |
7 Lit |
200 | 170 | 210 | 370 | 390 | 440 |
| R04-09-123 |
JRGV1080 |
8 Lit |
200 | 170 | 210 | 420 | 440 | 490 |
| R04-09-124 |
JRGV1100 |
10 Lit |
220 | 180 | 220 | 430 | 460 | 490 |
| R04-09-125 |
JRGV1150 |
15 Lit |
250 | 210 | 250 | 460 | 490 | 520 |
| R04-09-126 |
JRGV1200 |
20 Lit |
280 | 240 | 280 | 470 | 500 | 540 |
* 오링형 이중 자켓식 밸브형 평저 반응조 하부
|
Cat. No. |
Model |
용량 | 겉관외경 D1 (mm) | 속관외경 D (mm) |
후렌지 F (mm) |
속관길이 L1 (mm) | 겉관길이 L2 (mm) | 총길이 L (mm) |
| R04-09-127 |
JROV1001 |
100 ml | ||||||
| R04-09-128 |
JROV1002 |
250 ml | ||||||
| R04-09-129 |
JROV1005 |
500 ml | 120 | 90 | 120 | 110 | 130 | 160 |
| R04-09-130 |
JROV1010 |
1 Lit. | 140 | 110 | 145 | 140 | 160 | 200 |
| R04-09-131 |
JROV1020 |
2 Lit. | 160 | 130 | 170 | 190 | 210 | 250 |
| R04-09-132 |
JROV1030 |
3 Lit |
180 | 150 | 190 | 210 | 230 | 270 |
| R04-09-133 |
JROV1040 |
4 Lit |
190 | 160 | 200 | 240 | 260 | 300 |
| R04-09-134 |
JROV1050 |
5 Lit |
200 | 170 | 210 | 270 | 290 | 340 |
| R04-09-135 |
JROV1060 |
6 Lit |
200 | 170 | 210 | 310 | 330 | 380 |
| R04-09-136 |
JROV1070 |
7 Lit |
200 | 170 | 210 | 370 | 390 | 440 |
| R04-09-137 |
JROV1080 |
8 Lit |
200 | 170 | 210 | 420 | 440 | 490 |
| R04-09-138 |
JROV1100 |
10 Lit |
220 | 180 | 220 | 430 | 460 | 490 |
| R04-09-139 |
JROV1150 |
15 Lit |
250 | 210 | 250 | 460 | 490 | 520 |
| R04-09-140 |
JROV1200 |
20 Lit |
280 | 240 | 280 | 470 | 500 | 540 |
배송안내
- CJ택배, 경동화물/택배, 용달 화물(1톤, 다마스)로 배송 가능합니다. - 고객님의 요청에 의한 긴급 배송(고속버스 화물, 퀵서비스 등)으로 인한 물류비용은 고객님의 부담입니다. - 경동택배/화물은 착불로 출고됩니다. - 택배/화물 배송 가능 품목 : 건조기, 저온순환수조, 전기로 등 파레트 포장 제품 - 택배/화물 배송 불가 품목 : 냉장고, 항온항습기, 후드, 클린벤치 등 부피가 크거나 바퀴가 달려 있는 모델 - 택배 및 화물이 불가한 상품의 경우 실험장비 배송안내를 참고해 주시기 바랍니다. - 택배 및 화물이 불가능한 상품의 경우도 무료 배송이 가능하도록 지정일 배송 서비스를 시행하고 있습니다. - 실험장비 배송안내를 참고해 주시기 바랍니다.
배송 기간
- 재고가 있는 품목에 한하여 입금 확인 후 2일 이내에 발송 됩니다. (입금 확인은 당일 2시 마감되며, 2시 이후 입금 건은 익일 처리 됩니다.) - 택배의 경우 일반적으로 발송일로부터 3~7일, 도서/산간/오지 등 교통이 불편한 지역의 경우 4~8일(토.일, 공휴일 제외) 정도 소요됩니다. - 불가 항력의 사유(일시품절/제조사로부터의 제품 수급 문제/천재지변 등)로 배송이 지연 될 경우 고객님께 연락을 드리겠습니다. - 수입품목의 공급 및 재고 상태는 주문시점에 따라 달라질 수 있으며, 공급이 어려울 경우 주문접수 후 주문이 취소 될 수 있습니다. - 재고가 없는 상품의 경우 상품이 입고 된 이후 발송이 가능하므로, 안내 받으신 배송기간 보다 다소 연장될 수 있습니다. - 제품 준비 과정에 차질이 생겨 늦어질 경우에는 고객님께 연락을 드리겠습니다. - 주문하신 상품은 결제 확인 후 발송됩니다. - 결제 후 메일 [ info@lklab.com ]이나 전화 [ 031-573-4952 영업부 1번 ]으로 연락 주시면 더욱 빨리 처리 해 드리겠습니다.
배송 지역
- 전국 어느 지역이나 배송 가능합니다. (단, 지역에 따라서 배송기간에 다소 차이가 있을 수 있습니다.)
배송 운임
- 주문 금액 기준 (부가세 별도) 총액 5만원 이상 주문시에는 무료로 배송해 드립니다. (택배기준) - 단, 5만원 미만 주문 시 착불 발송되며, 요청에 따라 주문자 사전 결제로 선불 배송 가능합니다. - 택배 및 화물이 불가한 상품 배송 운임은 실험장비 배송안내를 참고해 주시기 바랍니다. - * 제주도 및 도서 산간지역의 경우 추가 운임비가 발생할 수 있습니다.
배송 확인 방법
- My Page의 주문/배송 내역에서 확인 가능합니다.
교환 및 반품 안내
상품에 하자가 있거나 주문한 상품과 다를 경우, 수령일로부터 15일 이내인 경우에 한하여 1:1 상품교환 또는 전액 환불 조치 해드리며, 이에 소요되는 모든 비용 또한 (주)엘케이랩코리아에서 부담합니다. 제품에 하자는 없지만, 다른 상품으로 교환하거나 반품하고자 할 경우, 출고일 기준 영업일 7일 이내, 유리 초자 제품은 3일이내에 반품하셔야 하며 사용하지 않은 새 제품인 경우에 한하여 조치해 드립니다. 이에 소요되는 비용은 고객님 부담입니다. (제품 사용 후 변심에 의한 교환 및 환불은 불가) 제품의 교환 및 반품 시에는 상품 비닐 및 박스(Brand Box)를 수령하신 상태 그대로 보존하고 있을 경우에만 가능합니다. 교환 및 반품 택배 보내실 때 상품 박스(Brand Box)가 손상되지 않도록 반드시 외부에 박스 한 겹 더 포장 부탁드립니다. * 건전지가 포함된 제품의 경우 수입 및 유통 과정에서 건전지의 전압 저하 및 방전의 경우가 있을 수 있습니다. 이럴 경우 영업 담당자에게 연락 주시면 신속하게 처리해 드리도록 하겠습니다.
교환 및 반품, 환불이 불가능 한 경우
1. 이용자에게 책임이 있는 사유로 제품이 훼손된 경우 2. 이용자의 사용 또는 일부 소비에 의하여 재화 등의 가치가 현저히 감소한 경우 3. 제품의 포장(비닐 및 상품박스)을 훼손 한 경우 4. 주문 당시 재고가 없어서 국내 / 해외 조달 분 중 수입 발주 되어진 상품 * 재고 상품이 아닌 경우, 수입 발주 되어진 상품의 주문 취소도 불가
환불 안내
현금 결제의 경우 구매자의 이름(또는 회사명)으로 개설된 은행계좌로 송금되며, 카드 결제의 경우 카드 승인 취소로 조치 해 드립니다.